Passer au contenu principal Passer à la recherche Passer à la navigation principale
Menu

CB 600 F Hornet 2003-2006 (PC36)

Filtre

alpha Technik
alpha Technik Gabelwellendichtring Satz 41x54x11

alpha Technik Gabelwellendichtring Satz 41x54x11

alpha Technik Gabelwellendichtring Satz 41x54x11 ARI Simmerringsatz, Gabelwellendichtringe 41x54x11, mit Doppelfeder Produktkennzeichnung: Fahrwerkstechnik Produkt Typ: Gabelwellendichtring Satz 41x54x11

Prix régulier : 12,74 €
5
Hepco & Becker
Anneau de réservoir Basic avec unité de fermeture de la sacoche de réservoir pour CB 600 F Hornet (03-06) Hepco & Becker

Anneau de réservoir Basic avec unité de fermeture de la sacoche de réservoir pour CB 600 F Hornet (03-06) Hepco & Becker

  Cette bague de réservoir fonctionnelle permet de fixer une sacoche de réservoir Hepco&Becker. La livraison comprend une bague de réservoir BASIC, ainsi que le contre-support qui peut être vissé individuellement à la sacoche de réservoir, en fonction de la forme du réservoir et de l'angle du guidon. On peut continuer à ouvrir le bouchon du réservoir sans problème lorsque la bague de réservoir est montée.  Caractéristiques : Maintien absolument sûr, même à grande vitesse Facile à utiliser grâce au verrouillage mécanique La sacoche de réservoir Hepco&Becker se met simplement en place et se verrouille de manière clairement audible sur l'anneau de réservoir Déverrouillage : le mécanisme est déverrouillé par une sangle à l'avant de la sacoche de réservoir dans le sens de la marche et la sacoche de réservoir est ensuite facilement retirée En Allemagne, les sacoches de réservoir ne nécessitent pas d'ABE ou d'inscription dans les papiers. Vitesse maximale recommandée avec la sacoche de réservoir montée : 130 km/h Charge utile recommandée dans la sacoche de réservoir : environ 3 kg Poids :  0,3 kg Couleur : noir Merci de respecter les indications du fabricant de la moto, ainsi que les indications spécifiques au modèle sur le mode d'emploi ou ici sur le produit Différence entre les anneaux de réservoir Lock-it et BASIC : La fonction générale et l'utilisation restent les mêmes. Cependant, l'anneau de réservoir basique se verrouille uniquement de manière mécanique par rapport à l'anneau de réservoir Lock-it. Dans le cas du Lock-it Tankring, les aimants aident au centrage. La différence réside donc uniquement dans les deux dômes magnétiques ou en plastique qui sont vissés sur l'anneau de réservoir. L'"anneau métallique" spécifique au modèle est le même pour les deux versions. Remarques : Ne convient pas pour : Street Enduro M, Royster Tankbag, Epic 11, Epic 13, Epic 16 Identique à l'anneau de réservoir universel 516007-7 Une sacoche de réservoir avec un contre-support Lock-it ne peut pas être montée sur un anneau de réservoir BASIC et vice versa. La contre-sacoche de réservoir et l'anneau de réservoir doivent être du même système.

Prix de vente : 36,10 € Prix régulier : 38,00 €
5
Hepco & Becker
Arceau de protection moteur chromé pour Honda CB 600 F Hornet (98-06) /S (98-02) Hepco & Becker

Arceau de protection moteur chromé pour Honda CB 600 F Hornet (98-06) /S (98-02) Hepco & Becker

  Que tu passes la plupart de ton temps sur un terrain difficile, sur une route de campagne ou en ville, un pare-chocs de Hepco & Becker est toujours le bon choix. Ta moto est protégée efficacement à tout moment contre les mésaventures inattendues. Plus que cela : en cas de renversement ou de contact involontaire avec le sol, tu peux protéger la moto et son conducteur de dommages plus importants. Les arceaux de protection de Hepco & Becker dessinent parfaitement les lignes de la machine et donnent ainsi à la moto un caractère individuel. Fabriqués à partir d'une construction tube-in-tube extrêmement solide, fabriqués en acier allemand de qualité ou en acier inoxydable, ils offrent une protection maximale - sur de nombreux modèles récents, ils sont déjà équipés d'un crash pad intégré. Aspect exclusif grâce à une finition de surface de haute qualité : revêtement en poudre de haute qualité fabriqué en Allemagne.Sur le dessus, les arceaux de protection pour moto sont incroyablement bien adaptés pour attacher ta machine en toute sécurité sur une remorque si tu dois la transporter. Caractéristiques : Matériau : tube d'acier made in Germany Finition de surface : Chrome noble et brillant Protège efficacement en cas de petits accidents ou de mésaventures Utile pour arrimer la moto Instructions de montage complètes et faciles à comprendre Les pare-chocs ne nécessitent pas d'inscription - ils n'ont donc pas besoin d'être inscrits sur les papiers et donc pas d'ABE Poids :  2,8 kg Couleur : chrome, argent brillant Contenu de la livraison : Droite + gauche avec matériel de montage (entretoises, douilles, rondelles, etc.) et Instructions de montage Remarques : Veuillez tenir compte des indications spécifiques au modèle mentionnées dans les instructions de montage et les caractéristiques ! Sauf indication contraire explicite, les produits Hepco & Becker spécifiques à un modèle sont conçus uniquement pour l'état de série de la moto ! Pour des raisons de sécurité, toutes les barres de protection doivent être suffisamment contrôlées après une chute et remplacées si nécessaire. Pour les pièces d'origine ou les accessoires déjà montés, il peut y avoir des restrictions, tu les trouveras dans le manuel de montage.

Prix de vente : 265,52 € Prix régulier : 279,50 €
5
Hepco & Becker
Arceaux de sécurité pour Aprilia Tuareg 660 (21-) SW Motech

Arceaux de sécurité pour Aprilia Tuareg 660 (21-) SW Motech

Adaptés à l'Aprilia Tuareg 660, les pare-chocs sont proposés en tube d'acier avec un revêtement par poudre noir résistant aux intempéries et à la corrosion. Le traitement de surface est réalisé dans une installation ultramoderne de l'usine SW-MOTECH à Brno, en République tchèque. Les pare-chocs de SW-MOTECH apportent le plus de sécurité nécessaire au réservoir, au carénage et aux composants. Les éléments fabriqués spécifiquement pour le type de moto s'intègrent parfaitement à l'esthétique du véhicule tout en offrant une liberté d'inclinaison optimale. Les éléments de montage sur mesure permettent un montage résistant et simple sur les points de fixation d'origine. Construction en acier robuste Revêtement par poudre noir résistant aux intempéries et à la corrosion Protection fiable des composants importants Construction extrêmement solide adaptée à l'aspect de la moto Le développement spécifique au modèle garantit un ajustement précis et une fixation résistante au cadre Liberté d'inclinaison optimale garantie Montage simple par vissage sur les points de fixation du cadre existants en usine Contenu de la livraison 2 x pare-chocs Instructions de montage Matériel de montage Détails Matériau : acier Surface : revêtue par poudre Couleur : noir Poids total : env. 4,8 kg

Prix de vente : 57,00 € Prix régulier : 60,00 €
5
Hepco & Becker
Arceaux de sécurité pour Aprilia Tuareg 660 (21-) SW Motech

Arceaux de sécurité pour Aprilia Tuareg 660 (21-) SW Motech

Adaptés à l'Aprilia Tuareg 660, les pare-chocs sont proposés en tube d'acier avec un revêtement par poudre noir résistant aux intempéries et à la corrosion. Le traitement de surface est réalisé dans une installation ultramoderne de l'usine SW-MOTECH à Brno, en République tchèque. Les pare-chocs de SW-MOTECH apportent le plus de sécurité nécessaire au réservoir, au carénage et aux composants. Les éléments fabriqués spécifiquement pour le type de moto s'intègrent parfaitement à l'esthétique du véhicule tout en offrant une liberté d'inclinaison optimale. Les éléments de montage sur mesure permettent un montage résistant et simple sur les points de fixation d'origine. Construction en acier robuste Revêtement par poudre noir résistant aux intempéries et à la corrosion Protection fiable des composants importants Construction extrêmement solide adaptée à l'aspect de la moto Le développement spécifique au modèle garantit un ajustement précis et une fixation résistante au cadre Liberté d'inclinaison optimale garantie Montage simple par vissage sur les points de fixation du cadre existants en usine Contenu de la livraison 2 x pare-chocs Instructions de montage Matériel de montage Détails Matériau : acier Surface : revêtue par poudre Couleur : noir Poids total : env. 4,8 kg

Prix de vente : 71,25 € Prix régulier : 75,00 €
5
Hepco & Becker
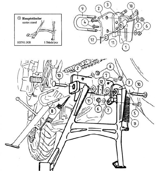
Béquille principale noire pour Honda CB 600 F Hornet (03-06) Hepco & Becker

Béquille principale noire pour Honda CB 600 F Hornet (03-06) Hepco & Becker

  Stable et solide. Solide comme un roc. Facile à utiliser. Les béquilles principales de Hepco & Becker ne limitent généralement pas la liberté d'inclinaison lors de la conduite et sont extrêmement robustes. Grâce à une géométrie sophistiquée et une surface de marche antidérapante, il est très facile de garer la moto en toute sécurité dans n'importe quelle situation. Les béquilles fabriquées avec précision sont très stables, sablées, apprêtées et revêtues de poudre noire, et donc résistantes aux intempéries et à la valeur. Les béquilles principales facilitent les travaux d'entretien et assurent une bonne stabilité, par exemple lors du ravitaillement en carburant. Pour l'hiver, elles soulagent les éléments de suspension et la roue arrière. Caractéristiques : ABE est fourni Généralement pas de limitation de la liberté d'inclinaison Finition de surface de haute qualité Contenu de la livraison : béquille principale+ matériel de montage + instructions Veuillez consulter les instructions de montage déposées Couleur : noir Poids : 4,5 kg

Prix de vente : 272,17 € Prix régulier : 286,50 €
Honda
Chargeur de batterie et appareil de maintenance OptiMATE 5

Chargeur de batterie et appareil de maintenance OptiMATE 5

Le chargeur de batterie et d'entretien OptiMATE 5 est un chargeur et un appareil d'entretien fiable pour tes batteries au plomb 12V ou tes batteries GEL sans entretien. Avec une capacité nominale de 7,5 à 120 Ah, cet appareil est parfait pour une utilisation dans les voitures, les motos, les bateaux ou les camping-cars. Il permet une charge rapide et efficace de tes batteries tout en assurant une maintenance et un entretien optimaux. Le chargeur de batterie et d'entretien OptiMATE 5 dispose d'un contrôle de charge intelligent qui arrête automatiquement le processus de charge dès que la batterie est complètement chargée. Cela permet d'éviter une surcharge et de prolonger la durée de vie de ta batterie. De plus, l'appareil surveille l'état de ta batterie et effectue une maintenance automatique si nécessaire. Il détecte et corrige les problèmes tels que la formation de sulfate, qui peuvent entraîner une réduction des performances de la batterie. Le chargeur de batterie et appareil de maintenance OptiMATE 5 est facile à utiliser et peut être branché sur n'importe quelle prise de courant standard. Il est robuste et durable et convient parfaitement à une utilisation en extérieur.

Prix régulier : 132,39 €
Honda
Chargeur de batterie et appareil de maintenance OptiMATE 5

Chargeur de batterie et appareil de maintenance OptiMATE 5

Le chargeur de batterie et d'entretien OptiMATE 5 est un chargeur et un appareil d'entretien fiable pour tes batteries au plomb 12V ou tes batteries GEL sans entretien. Avec une capacité nominale de 7,5 à 120 Ah, cet appareil est parfait pour une utilisation dans les voitures, les motos, les bateaux ou les camping-cars. Il permet une charge rapide et efficace de tes batteries tout en assurant une maintenance et un entretien optimaux. Le chargeur de batterie et d'entretien OptiMATE 5 dispose d'un contrôle de charge intelligent qui arrête automatiquement le processus de charge dès que la batterie est complètement chargée. Cela permet d'éviter une surcharge et de prolonger la durée de vie de ta batterie. De plus, l'appareil surveille l'état de ta batterie et effectue une maintenance automatique si nécessaire. Il détecte et corrige les problèmes tels que la formation de sulfate, qui peuvent entraîner une réduction des performances de la batterie. Le chargeur de batterie et appareil de maintenance OptiMATE 5 est facile à utiliser et peut être branché sur n'importe quelle prise de courant standard. Il est robuste et durable et convient parfaitement à une utilisation en extérieur.

Prix régulier : 132,39 €
10
Givi
Entretoise pour sacoches souples pour Honda CB600 Hornet (année 03-06) Givi

Entretoise pour sacoches souples pour Honda CB600 Hornet (année 03-06) Givi

pour Honda CB600 Hornet (année 03-06) Entretoises spécifiques en tube d'acier pour sacoches souples (non fournies)Note importante :Les sacoches GIVI ont été conçues pour des véhicules en état d'origine. La compatibilité avec des accessoires d'autres fabricants, tels que les systèmes d'échappement, etc. ne peut pas être garantie. En cas d'utilisation par deux personnes, il peut y avoir des restrictions selon le type de véhicule.

Prix de vente : 72,45 € Prix régulier : 80,50 €
5
LSL
Guidon Superbike LSL acier L01

Guidon Superbike LSL acier L01

Prix de vente : 56,95 € Prix régulier : 59,95 €
5
LSL
Guidon Superbike LSL Alu-A01

Guidon Superbike LSL Alu-A01

Prix de vente : 56,95 € Prix régulier : 59,95 €
LSL
LSL Alu-Lenker Superbike A01, 7/8 Zoll, schwarz perlgestrahlt

LSL Alu-Lenker Superbike A01, 7/8 Zoll, schwarz perlgestrahlt

LSL Alu-Lenker Superbike A01, 7/8 Zoll, schwarz perlgestrahlt LSL Alu-Lenker Superbike A01, 7/8 Zoll, 22,2 mm Durchmesser, Farbe Schwarz Perlgestrahlt Breite 764mm, Höhe 65mm, Tiefe 152mm, Wandstärke 4mm, Klemmbereich 130mm, Griffrohrlänge 210mm Produktkennzeichnung: LSL Lenker Aluminium Produkt Typ: Alu-Lenker Superbike A01, 7/8 Zoll, schwarz perlge

Prix régulier : 59,95 €
LSL
LSL levier de frein BOW R14 argent, court pour Honda

LSL levier de frein BOW R14 argent, court pour Honda

Levier LSL BOWLe levier se caractérise par une construction légère, jamais atteinte jusqu'à présent, qui se caractérise par de grands fraisages entre les points de fixation et la transition vers la surface du levier. Cette possibilité a été rendue possible par une nouvelle conception du blocage de réglage. Le réglage s'effectue habilement à l'aide d'une clé en plastique fournie, qui actionne l'étoile de réglage anodisée sans la rayer sur six niveaux différents. Ainsi, le réglage du levier peut être adapté aux besoins du conducteur. Dans la version longue, un trou oblong à l'extrémité du levier dans le sens horizontal empêche une mise en place involontaire du levier à grande vitesse.Caractéristiques spéciales :- Avec ABE- Construction ultralégère du levier (env. 130g)- Réglable en 6 positions- Sur la version longue, un point destiné à la rupture permet de continuer à rouler après un dérapage et garantit la poursuite du fonctionnement du levier- Un trou oblong aérodynamique à l'extrémité du levier sur la version longue empêche la mise en place du levier à grande vitesseCouleur : argent / argent Info sur l'ABE :Une ABE et/ou une expertise de pièces sont disponibles pour cet article. Veuillez vérifier si votre véhicule est inscrit dans l'ABE ou le rapport de pièces et si d'autres pièces de montage (p. ex. des étriers de serrage) sont également nécessaires (voir document). Pour certains modèles, une confirmation du fabricant provisoirement nécessaire est disponible. Téléchargements : Autorisation générale d'exploitation (ABE)Instructions de montage

Prix régulier : 89,95 €
LSL
LSL levier de frein BOW R14 noir, court pour Honda

LSL levier de frein BOW R14 noir, court pour Honda

Levier LSL BOWLe levier se distingue par une construction légère, jamais atteinte jusqu'à présent, qui se caractérise par de grands fraisages entre les points de fixation et la transition vers la surface du levier. Cette possibilité a été rendue possible par une nouvelle conception du blocage de réglage. Le réglage s'effectue habilement à l'aide d'une clé en plastique fournie, qui actionne l'étoile de réglage anodisée sans la rayer sur six niveaux différents. Ainsi, le réglage du levier peut être adapté aux besoins du conducteur. Dans la version longue, un trou oblong à l'extrémité du levier dans le sens horizontal empêche une mise en place involontaire du levier à grande vitesse.Caractéristiques spéciales :- Avec ABE- Construction ultralégère du levier (env. 130g)- Réglable en 6 positions- Sur la version longue, un point destiné à la rupture permet de continuer à rouler après un dérapage et garantit la poursuite du fonctionnement du levier- Un trou oblong aérodynamique à l'extrémité du levier sur la version longue empêche la mise en place du levier à grande vitesseCouleur : noir / noir Info sur l'ABE :Une ABE et/ou une expertise de pièces sont disponibles pour cet article. Veuillez vérifier si votre véhicule est inscrit dans l'ABE ou le rapport de pièces et si d'autres pièces de montage (p. ex. des étriers de serrage) sont également nécessaires (voir document). Pour certains modèles, une confirmation du fabricant provisoirement nécessaire est disponible. Téléchargements : Autorisation générale d'exploitation (ABE)Instructions de montage

Prix régulier : 89,95 €
LSL
LSL Rasten-Set Extreme, gefräst, M5, schwarz

LSL Rasten-Set Extreme, gefräst, M5, schwarz

LSL Rasten-Set Extreme, gefräst, M5, schwarz LSL Rasten-Set Extreme, gefräst, M5, schwarz eloxiert, Lieferung paarweise, fahrzeugspezifische Gelenke bitte separat bestellen Produktkennzeichnung: LSL Fussrasten Produkt Typ: LSL Rasten-Set Extreme

Prix régulier : 79,94 €
LSL
LSL Superbike L01, stahl, chrom

LSL Superbike L01, stahl, chrom

LSL Superbike L01, stahl, chrom LSL Superbike L01, Stahl, 7/8 Zoll, 22,2mm Durchmesser, Farbe Chrom, Breite 765mm, Höhe 65mm, Tiefe 152mm, Wandstärke 2mm, Klemmbereich 135mm, Griffrohrlänge 228mm, Rändelbreite 86mm Produktkennzeichnung: LSL Lenker Stahl Produkt Typ: LSL Superbikelenker L01, chrom

Prix régulier : 59,95 €
5
Hepco & Becker
Pont de bagages tubulaire Support de top case et support de valises latérales pour Honda CB 600 F Hornet (03-06)

Pont de bagages tubulaire Support de top case et support de valises latérales pour Honda CB 600 F Hornet (03-06)

  Le Hepco&Becker Le support complet, composé d'un support de valises latérales des deux côtés et d'un porte-bagages tubulaire (support de topcase) se visse solidement à la moto et peut être seulement peut être monté ensemble. Ce support permet de transporter presque toutes les Hepco&Becker Des valises latérales. Presque tous les topcases Hepco&Becker peuvent être montés sur le pont tubulaire.Les valises latérales sont verrouillées sur le support à l'aide d'une serrure de maintien. Les accessoires nécessaires sont Adaptateur de serrurequi se vissent à droite et à gauche sur le support de la valise latérale, sont inclus de manière standard dans le kit de valise.Les supports spécifiques aux modèles et de construction solide sont parfaitement adaptés à chaque moto et renforcés aux endroits fortement sollicités avec des tubes intérieurs spéciaux. Détails: Construction en tube d'acier Made in Germany Solidement vissé à la moto Revêtement de surface de haute qualité Ne peut être monté qu'ensemble en tant que kit Convient à presque toutes les valises latérales et topcases Hepco&Becker : tu trouveras les restrictions dans les indications spécifiques au modèle ou dans le manuel de montage Livraison : support à droite, support à gauche, tube pour l'arrière, matériel de montage et instructions Diamètre du tube : 16 mm Les porte-bagages n'ont pas besoin d'ABE et ne nécessitent pas d'inscription Couleur : noir Poids : 3,8 kg Remarques: Porte-bagages latéral asymétrique. Recommandation : utiliser des valises plus étroites du côté du pot final, par exemple 30 L & 40 L en combinaison.

Prix de vente : 427,02 € Prix régulier : 449,50 €
5
Hepco & Becker
Porte-bagages tubulaire support de top case noir pour Honda CB 600 F Hornet (03-06) Hepco & Becker

Porte-bagages tubulaire support de top case noir pour Honda CB 600 F Hornet (03-06) Hepco & Becker

  Ponts à bagages tubulaireséprouvés Supports de topcase pour Hepco & Becker Topcases de la plus haute qualité. Les ponts à bagages Hepco & Becker sont spécialement conçus pour presque tous nos topcases. Mais les nouveaux topcases ne sont pas les seuls à s'adapter. Les anciens modèles Hepco & Becker peuvent également être montés. Le logement de base n'a pas changé. Ne convient pas pour : Topcase "Orbit" et topcases avec plaque universelle.Les supports sont fabriqués spécifiquement pour chaque modèle et s'adaptent uniquement à la moto mentionnée sur les instructions de montage. Grâce à leur construction en acier allemand de qualité, les ponts à bagages Hepco & Becker garantissent une résistance maximale et une très grande sécurité. Si nécessaire, il est également possible d'arrimer sans problème des bagages souples, le porte-bagages tubulaire offre de nombreuses possibilités. Si l'espace n'est pas suffisant, le porte-bagages peut être combiné avec l'extension universelle de porte-bagages Hepco & Becker. Détails : Le top case se glisse sur le pont à bagages tubulaire et se ferme avec un cadenas de retenue métallique sur le support. Chargement recommandé : environ 5kg (merci de consulter les indications spécifiques au modèle sur le support correspondant, ainsi que les indications spécifiques au fabricant de moto) Se combine généralement sans problème avec les porte-bagages latéraux ou les supports C-Bow (consulter les instructions de montage) Les porte-bagages ne nécessitent généralement pas d'ABE ou d'enregistrement. Contenu de la livraison : porte-bagages + matériel de montage + instructions Fabriqué en Allemagne Poids : 1,6 kg

Prix de vente : 222,30 € Prix régulier : 234,00 €
Honda
Protecteur de réservoir avec logo Honda Wing Original pour tous les modèles Honda

Protecteur de réservoir avec logo Honda Wing Original pour tous les modèles Honda

Protecteur de réservoir avec logo Honda Wing Original pour tous les modèles Honda

Prix régulier : 19,67 €
10
Givi
Support de top case pour Honda CB600 Hornet (année 03-06) Givi

Support de top case pour Honda CB600 Hornet (année 03-06) Givi

pour Honda CB600 Hornet (année 03-06)) Support top case spécifique pour valises MONOKEY ou MONOLOCK / à monter avec la platine MONOKEY M5, M7, M8A, M8B, M9A et M9B ou la platine MONOLOCK M5M et M6M ou le porte-bagages en aluminium anodisé EX2M (non fournis) / avec M8A, M8B, M9A et M9B, il n'est pas possible de monter les feux stop et/ou la télécommandeCharge maximale pour les valises MONOKEY 10 kg (pour les plaques M8A, M8B, M9A et M9B charge de 6 kg), pour les valises MONOLOCK 3 kg.Tu trouveras un aperçu de nos valises sous la rubrique Valises & bagages.Remarque importante : le porte-vélos est livré sans accessoires (plaque, valises, ...) !Remarque importante :Les produits GIVI ont été conçus pour des véhicules en état d'origine.La compatibilité avec des accessoires d'autres fabricants tels que les systèmes d'échappement, etc. ne peut pas être garantie.

Prix de vente : 117,00 € Prix régulier : 130,00 €
5
SW-Motech
SW-Motech Anneau de réservoir PRO HONDA CB 600 F Hornet (02-06)

SW-Motech Anneau de réservoir PRO HONDA CB 600 F Hornet (02-06)

L'anneau de réservoir PRO combine parfaitement la force d'innovation de deux entreprises allemandes : Le mécanisme d'encliquetage QUICK-LOCK des anneaux de réservoir SW-MOTECH, qui a fait ses preuves depuis des années, est désormais encore plus facile à utiliser grâce à l'aide de guidage magnétique de la technique Fidlock. Le positionnement de la bague supérieure a été considérablement amélioré : la bague supérieure coulissante est déjà prémontée sur la sacoche de réservoir avec un rail de guidage et la sacoche de réservoir ne doit pas être percée.L'anneau supérieur peut ainsi être orienté individuellement sur le rail de guidage situé sur la partie inférieure de la sacoche de réservoir. Une fois la bonne position trouvée, la bague supérieure est vissée. Lorsque l'on passe à une autre moto, la position de la bague supérieure peut être adaptée en conséquence.L'aide au guidage magnétique, développée par Fidlock, complète la fermeture mécanique à encliquetage QUICK-LOCK déjà bien rodée de SW-MOTECH : les aimants guident la bague supérieure dans la position adéquate sur l'anneau du réservoir et la fermeture s'enclenche fermement. Ainsi, la force des aimants soutient la mise en place de la sacoche de réservoir. Fixer la sacoche de réservoir en un tour de main et prendre la route - les bagages sont bien en place et c'est aussi un plaisir.Le mécanisme d'encliquetage mécanique sécurise la sacoche de réservoir et les aimants rapprochent les deux parties de l'anneau. Le plastique robuste renforcé de fibres de verre avec sa géométrie d'encliquetage de haute précision est responsable du fait que la sacoche de réservoir reste fermement en place dans toutes les positions sur la route.L'anneau de réservoir PRO breveté est adapté à la tubulure de remplissage du réservoir du modèle de moto. Le meilleur positionnement possible sur le réservoir peut ainsi être garanti. Bague d'adaptation spécifique au modèle pour un ajustement optimal et des solutions personnalisées Montage facile sur la tubulure de remplissage du réservoir Aide de guidage magnétique dans l'anneau de réservoir PRO pour une fixation facile Déverrouillage rapide par sangle de traction permettant de retirer la sacoche de réservoir PRO d'un seul geste L'anneau de réservoir PRO breveté maintient la sacoche de réservoir PRO en place Ravitaillement facile, le bouchon du réservoir s'ouvre comme d'habitude En polyamide renforcé de fibres de verre Solution ménageant la peinture : la sacoche de réservoir ne repose pas sur le réservoir Contenu de la livraison 1 x anneau de réservoir PRO 2 x anneau de montage Instructions de montage Matériel de montage Détails Matériau : plastique renforcé de fibres de verre / aluminium Couleur : noir Remarque Les anneaux de réservoir de la série PRO ne peuvent pas être combinés avec les sacoches de réservoir EVO. Deux anneaux de montage sont compris dans la livraison : Une bague de montage pour les bagues de couvercle de réservoir avec un filetage M4 et une bague de montage pour les bagues de couvercle de réservoir avec un filetage M6

Prix de vente : 28,50 € Prix régulier : 30,00 €
5
SW-Motech
SW-Motech Anneau de réservoir PRO HONDA CB 600 S Hornet (02-06)

SW-Motech Anneau de réservoir PRO HONDA CB 600 S Hornet (02-06)

L'anneau de réservoir PRO combine parfaitement la force d'innovation de deux entreprises allemandes : Le mécanisme d'encliquetage QUICK-LOCK des anneaux de réservoir SW-MOTECH, qui a fait ses preuves depuis des années, est désormais encore plus facile à utiliser grâce à l'aide de guidage magnétique de la technique Fidlock. Le positionnement de la bague supérieure a été considérablement amélioré : la bague supérieure coulissante est déjà prémontée sur la sacoche de réservoir avec un rail de guidage et la sacoche de réservoir ne doit pas être percée.L'anneau supérieur peut ainsi être orienté individuellement sur le rail de guidage situé sur la partie inférieure de la sacoche de réservoir. Une fois la bonne position trouvée, la bague supérieure est vissée. Lorsque l'on passe à une autre moto, la position de la bague supérieure peut être adaptée en conséquence.L'aide au guidage magnétique, développée par Fidlock, complète la fermeture mécanique à encliquetage QUICK-LOCK déjà bien rodée de SW-MOTECH : les aimants guident la bague supérieure dans la position adéquate sur l'anneau du réservoir et la fermeture s'enclenche fermement. Ainsi, la force des aimants soutient la mise en place de la sacoche de réservoir. Fixer la sacoche de réservoir en un tour de main et prendre la route - les bagages sont bien en place et c'est aussi un plaisir.Le mécanisme d'encliquetage mécanique sécurise la sacoche de réservoir et les aimants rapprochent les deux parties de l'anneau. Le plastique robuste renforcé de fibres de verre avec sa géométrie d'encliquetage de haute précision est responsable du fait que la sacoche de réservoir reste fermement en place dans toutes les positions sur la route.L'anneau de réservoir PRO breveté est adapté à la tubulure de remplissage du réservoir du modèle de moto. Le meilleur positionnement possible sur le réservoir peut ainsi être garanti. Bague d'adaptation spécifique au modèle pour un ajustement optimal et des solutions personnalisées Montage facile sur la tubulure de remplissage du réservoir Aide de guidage magnétique dans l'anneau de réservoir PRO pour une fixation facile Déverrouillage rapide par sangle de traction permettant de retirer la sacoche de réservoir PRO d'un seul geste L'anneau de réservoir PRO breveté maintient la sacoche de réservoir PRO en place Ravitaillement facile, le bouchon du réservoir s'ouvre comme d'habitude En polyamide renforcé de fibres de verre Solution ménageant la peinture : la sacoche de réservoir ne repose pas sur le réservoir Contenu de la livraison 1 x anneau de réservoir PRO 2 x anneau de montage Instructions de montage Matériel de montage Détails Matériau : plastique renforcé de fibres de verre / aluminium Couleur : noir Remarque Les anneaux de réservoir de la série PRO ne peuvent pas être combinés avec les sacoches de réservoir EVO. Deux anneaux de montage sont compris dans la livraison : Une bague de montage pour les bagues de couvercle de réservoir avec un filetage M4 et une bague de montage pour les bagues de couvercle de réservoir avec un filetage M6

Prix de vente : 28,50 € Prix régulier : 30,00 €
5
SW-Motech
SW-Motech PRO Micro sacoche de réservoir HONDA CB 600 F Hornet (03-13)

SW-Motech PRO Micro sacoche de réservoir HONDA CB 600 F Hornet (03-13)

Discrète et rectiligne : la PRO Micro s'adapte à presque tous les réservoirs et transporte en toute sécurité les petites nécessités comme les papiers du véhicule et les objets de valeur. Comme toutes les sacoches de réservoir PRO, la Micro repose sur une base en plastique EVA qui garantit une grande stabilité dimensionnelle. Le volume de la sacoche de réservoir peut être augmenté à l'aide d'une fermeture éclair. Les sacoches de réservoir PRO offrent un design élégant et intemporel associé à des matériaux durables et à des caractéristiques de produit bien pensées : Le nylon balistique protège les bagages contre les chocs, le vent et les intempéries. La partie supérieure en matériau EVA laminé donne aux sacoches une forme marquante et garantit, en combinaison avec un embout MOLLE, un maintien sûr pour les supports de smartphone et de tablette.Le rail de guidage de l'anneau supérieur, déjà fixé en usine, permet une adaptation nettement simplifiée de la sacoche de réservoir à la forme du réservoir et aux besoins ergonomiques du conducteur. Seules les sacoches de réservoir PRO offrent cette flexibilité. SW-MOTECH propose également les anneaux de réservoir PRO brevetés en plastique renforcé de fibres de verre. Elles sont fabriquées en fonction du modèle de moto. (Tu les trouveras dans la catégorie de véhicules et sous l'article sous Accessoires)La robuste bague de réservoir PRO avec aide de guidage magnétique sécurise les sacoches de réservoir PRO par une fermeture mécanique à enclenchement QUICK-LOCK. Les sacoches de réservoir peuvent ainsi être fixées ou retirées en un seul geste. Extension du volume par fermeture éclair de 3 à 5 litres L'anneau de réservoir PRO breveté maintient les sacoches de réservoir PRO en place Aide de guidage magnétique dans l'anneau de réservoir PRO pour une fixation facile Rail de guidage prémonté de l'anneau supérieur pour une adaptation ergonomique de la sacoche de réservoir Dessus et fond de la sacoche de réservoir en plastique EVA laminé et indéformable En nylon balistique 1680D robuste et particulièrement résistant aux UV, avec revêtement intérieur hydrofuge Attache MOLLE en matériau Hypalon robuste sur le dessus pour le support de smartphone et de tablette Détails réfléchissants pour une meilleure visibilité Poches en filet à l'intérieur Protection contre les intempéries grâce à la housse de pluie fournie Poignée de transport robuste Passage pour câbles à l'avant et à l'arrière Utilisable avec un câble antivol ou un cadenas Contenu de la livraison 1 x sacoche de réservoir PRO Micro 1 x anneau supérieur PRO 1 x housse de pluie PRO Micro Instructions de montage Matériel de montage Détails Matériau : nylon balistique 1680D Couleur : noir / gris Dimensions : 27,0 x 20,5 x 11,0 cm Poids total : 0 ,8 kg Volume total : 3 ,0-5,0 l Remarque Pour le montage sur le réservoir, l'anneau de réservoir PRO correspondant est nécessaire. (Tu les trouveras dans la catégorie de véhicules et sous l'article sous Accessoires) Les sacoches de réservoir de la série PRO ne peuvent pas être combinées avec les anneaux de réservoir EVO.

Prix de vente : 123,50 € Prix régulier : 130,00 €
5
SW-Motech
SW-Motech PRO Micro sacoche de réservoir HONDA CB 600 S Hornet (03-06)

SW-Motech PRO Micro sacoche de réservoir HONDA CB 600 S Hornet (03-06)

Discrète et rectiligne : la PRO Micro s'adapte à presque tous les réservoirs et transporte en toute sécurité les petites nécessités comme les papiers du véhicule et les objets de valeur. Comme toutes les sacoches de réservoir PRO, la Micro repose sur une base en plastique EVA qui garantit une grande stabilité dimensionnelle. Le volume de la sacoche de réservoir peut être augmenté à l'aide d'une fermeture éclair. Les sacoches de réservoir PRO offrent un design élégant et intemporel associé à des matériaux durables et à des caractéristiques de produit bien pensées : Le nylon balistique protège les bagages contre les chocs, le vent et les intempéries. La partie supérieure en matériau EVA laminé donne aux sacoches une forme marquante et garantit, en combinaison avec un embout MOLLE, un maintien sûr pour les supports de smartphone et de tablette.Le rail de guidage de l'anneau supérieur, déjà fixé en usine, permet une adaptation nettement simplifiée de la sacoche de réservoir à la forme du réservoir et aux besoins ergonomiques du conducteur. Seules les sacoches de réservoir PRO offrent cette flexibilité. SW-MOTECH propose également les anneaux de réservoir PRO brevetés en plastique renforcé de fibres de verre. Elles sont fabriquées en fonction du modèle de moto. (Tu les trouveras dans la catégorie de véhicules et sous l'article sous Accessoires)La robuste bague de réservoir PRO avec aide de guidage magnétique sécurise les sacoches de réservoir PRO par une fermeture mécanique à enclenchement QUICK-LOCK. Les sacoches de réservoir peuvent ainsi être fixées ou retirées en un seul geste. Extension du volume par fermeture éclair de 3 à 5 litres L'anneau de réservoir PRO breveté maintient les sacoches de réservoir PRO en place Guide magnétique dans l'anneau de réservoir PRO pour une fixation facile Rail de guidage prémonté de l'anneau supérieur pour une adaptation ergonomique de la sacoche de réservoir Dessus et fond de la sacoche de réservoir en plastique EVA laminé et indéformable En nylon balistique 1680D robuste et particulièrement résistant aux UV avec revêtement intérieur hydrofuge Attache MOLLE en matériau Hypalon robuste sur le dessus pour le support de smartphone et de tablette Détails réfléchissants pour une meilleure visibilité Poches en filet à l'intérieur Protection contre les intempéries grâce à la housse de pluie fournie Poignée de transport robuste Passage pour câbles à l'avant et à l'arrière Utilisable avec un câble antivol ou un cadenas Contenu de la livraison 1 x sacoche de réservoir PRO Micro 1 x anneau supérieur PRO 1 x housse de pluie PRO Micro Instructions de montage Matériel de montage Détails Matériau : nylon balistique 1680D Couleur : noir / gris Dimensions : 27,0 x 20,5 x 11,0 cm Poids total : 0 ,8 kg Volume total : 3 ,0-5,0 l Remarque Pour le montage sur le réservoir, l'anneau de réservoir PRO correspondant est nécessaire. (Tu les trouveras dans la catégorie de véhicules et sous l'article sous Accessoires) Les sacoches de réservoir de la série PRO ne peuvent pas être combinées avec les anneaux de réservoir EVO.

Prix de vente : 123,50 € Prix régulier : 130,00 €